安徽皖维高新材料股份有限公司6万吨/年聚乙烯醇升级改造项目VAC装置部分冷凝器及再沸器采购招标
http://www.ahtba.org.cn/site/trade/affiche/detail/0b5700aa-79e0-11ed-961c-00163e0ffbe1
招标公告
一、安徽安天利信工程管理股份有限公司受买方委托,对下列产品及服务进行国
内公开竞争性招标。欢迎具备条件的投标人参加投标。
1、招标范围及规模:本次招标分二个标包、具体如下:
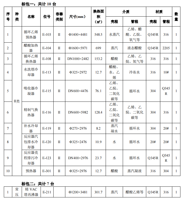
标包一:共计 10 台


2、资金类型:企业自筹
二、投标人资格要求
1、投标人须为中国境内依法注册的具有独立法人资格的制造商,具有有效的企
业法人营业执照;
2、投标人 2020 年 1 月 1 日至今(以合同签订时间为准)须具有 2 个类似冷凝器
或再沸器设备销售业绩;
3、投标人须具有 A2 类及以上压力容器特种设备制造许可证;
4、投标人未被最高人民法院在“信用中国”网站(www.creditchina.gov.cn)列入
失信被执行人名单;
5、本项目不接受联合体投标。
三、招标文件的获取
1、招标文件的获取时间:2022 年 12 月 12 日起至 2023 年 1 月 3 日下午 17:00
(北京时间);
2、获取方式:
(
1)招标文件获取方式:
凡有意参加本项目投标供应商,需在信 e 采电子交易系统(www.xinecai.com)
进行企业免费注册并完善企业信息后审核通过(注册主体须选择采购供应商和工
程投标人,须上传加盖公章的营业执照复印件及开户许可证复印件),具体操作
参见《信 e 采—企业注册通知公告》。因未及时办理注册审核手续影响投标的,
责任自负。
完成企业注册并通过审核后(审核期一般为三个工作日),可以通过互联网登录“信 e 采电子交易系统”,明确参加项目及标包(包号),在线缴费后下载文
件及相关附件(含澄清、答疑及补充通知等文件,招标人/采购人/代理机构不再
另行通知,投标人应及时关注、查阅信 e 采电子交易平台发布的上述相关内容,
否则造成的后果自负);联合体投标的,由联合体牵头人进行文件下载操作。用
户注册成功后如需要变更初始注册信息的,应及时在信 e 采申请变更(信 e 采技
术人员联系电话:400-050-9988),如因未及时变更导致不良后果,投标人责任自
负。
(
2)电子投标文件制作方式:
①本项目采用网上招投标方式,请投标人在信 e 采系统中下载电子标书制作
工具,具体操作步骤和程序请参见“资料下载”栏目--“信 e 采投标人操作手册”,
仔细阅读招标文件要求和相关操作手册。(如有技术问题请联系 400-050-9988)。
②投标人须用数字证书签章和加密投标文件,建议使用企业法人主锁。如未
办理数字证书请及时到安徽省电子认证管理中心(合肥市祁门路 1779 号安徽国
贸大厦东侧 1 楼大厅集中办理点)或网上直接办理,联系电话:0551-63733806,
CA 办理须知详见信 e 采系统“CA 办理须知要求”。
③本项目投标人需采用最新版投标文件制作工具,具体请在“信 e 采电子交
易系统”资料下载页面(https://www.xinecai.com/download)下载,软件启动时也
将进行提示(需在国际互联网络通畅状态),各投标人需注意更新(更新前务必
将杀毒软件及安全卫士退出,否则会导致更新失败),以免造成标书制作错误,
如因此导致无效投标,责任自负。
四、发布公告的媒介
本次招标公告在 “信e采招标采购电子交易平台(” https://www.xinecai.com/)、
安徽省招标投标信息网(www.ahtba.org.cn)、中国招标投标公共服务平台
(http://www.cebpubservice.com/)等网上发布。
五、投标文件递交截止时间暨开标时间:2023 年 1 月 4 日下午 14:30 (北京时间)。
六、联系方式
招标代理机构:安徽安天利信工程管理股份有限公司
地 址:安徽省合肥市祁门路 1779 号安徽国贸大厦 1404 室
联 系 人:何工、田工电 话:0551-63736770/0551-63736274
邮 箱:yingh@ahbidding.com